 austin_wang@chunheelectric.com           +86-13962180320          Building 15, Xingshang Zhizaogu, No. 299 Liantang                                                                                                                                  Avenue, Shanghu Town, Changshu City

Product Categories

Contact Us

E-mail:

austin_wang@chunheelectric.com

Address: Building 15, Xingshang Zhizaogu, No. 299 Liantang Avenue, Shanghu Town, Changshu City
QQ: 576862618

loading

Share to:
facebook sharing button
twitter sharing button
line sharing button
wechat sharing button
linkedin sharing button
pinterest sharing button
sharethis sharing button

IFX series

Availability:

Product FeaturesFeatures

High performance,  Has excellent low-frequency attenuation characteristics,  Excellent interference suppression characteristics.

Highperformance, withgoodlowfrequencyattenuationcharacteristics,

excellentinterferencerejectionproperties.

Easy to installtoinstall

Application Application

Suitable for use at the input end of the frequency converter to reduce interference from the frequency converter to the outside world.

Apply to inverter input, effectively reducing interference of inverter.

Technical DataTechnical Data

Climatic Category:   25/085/21

Rated voltageRatedVoltage:        440Vac

Operating frequency: 50/60Hz

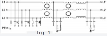
Typical circuit diagram


Specification sheet

ModelModel

Rated current  Ratedcurrent(A)

shell code shellcode

Circuit diagram   Circuitdiagram

Ground capacitor

(nF)

Discharge resistor   discharge resistor

Terminal form Terminal

Wiring protective cover

wiring

protectivecasing

CHF-5IFX

5

2B

fig. 1

220

560KΩ

3

CH-PH2

CHF-10IFX

10

2B

fig. 1

220

560KΩ

3

CH-PH2

CHF-16IFX

16

3B

fig. 1

220

560KΩ

3

CH-PH2

CHF-30IFX

30

4B

fig. 1

470

330KΩ

3

CH-PH2

CHF-50IFX

50

5B

fig. 1

470

330KΩ

3

CH-PH2

CHF-80IFX

80

6B

fig. 1

1000

220KΩ

3

CH-PH2

CHF-100IFX

100

6B

fig. 1

1000

220KΩ

3

CH-PH2

CHF-120IFX

120

6B

fig. 1

1000

220KΩ

3

CH-PH2

CHF-150IFX

150

7B

fig. 1

1500

220KΩ

3

CH-PH2

CHF-200IFX

200

7B

fig. 1

1500

220KΩ

3

CH-PH2

CHF-300IFX

300

8B

fig. 1

2200

220KΩ

M

CHF-450IFX

450

9B

fig. 1

2200

220KΩ

M

CHF-500IFX

500

9B

fig. 1

2200

220KΩ

M

CHF-600IFX

600

9B

fig. 1

2200

220KΩ

M


Terminal form code: 3-bolt type, M-busbar type


Previous: 
Next: 
Our company provides good and stable product quality, reasonable product prices, the best technical services, and timely delivery services. We hope to develop together with you in the new century.

Quick Links

Contact Us

E-mail : austin_wang@chunheelectric.com
Address: Building 15, Xingshang Zhizaogu, No. 299 Liantang Avenue, Shanghu Town, Changshu City
Manager Wang: +86-13962180320
Manager Guo: +86-13913594162
QQ: 576862618
Copyright © 2022 Suzhou Chunhe Electrical Technology Co., Ltd. 苏ICP备2022031984 Technical Support: Leadong.com I Sitemap