 austin_wang@chunheelectric.com           +86-13962180320          Building 15, Xingshang Zhizaogu, No. 299 Liantang                                                                                                                                  Avenue, Shanghu Town, Changshu City

Product Categories

Contact Us

E-mail:

austin_wang@chunheelectric.com

Address: Building 15, Xingshang Zhizaogu, No. 299 Liantang Avenue, Shanghu Town, Changshu City
QQ: 576862618

loading

Share to:
facebook sharing button
twitter sharing button
line sharing button
wechat sharing button
linkedin sharing button
pinterest sharing button
sharethis sharing button

EUH series

Availability:

Product FeaturesFeatures

High performance,  Has excellent low-frequency attenuation characteristics,  Excellent suppression properties.

Highperformance, withgoodlowfrequencyattenuationcharacteristics,

excellentinterferencerejectionproperties.

Easy to installtoinstall

Application Application

Suitable for industrial control devices,  High-performance filtering in telecommunications systems, medical equipment, etc.

High-perfomance filter for industrial control equipment,telecommunication systems,medical equipment,and other occasions

Technical ParametersTechnical DataClimatic Category:   40/085/21RatedVoltage:        250/440Vac Operating frequency: 50/60Hz RatedCurrent: Withstand voltage test for 1 minute TestVoltage (1 min): 1-80A1500VDC (line-line)      2000VDC(line-ground)

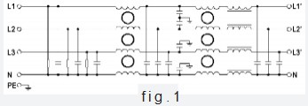
Typical circuit diagram


Specification sheet

ModelModel

Rated current  Ratedcurrent(A)

shell code shellcode

Circuit diagram   Circuitdiagram

Ground capacitor

(nF)

Discharge resistor   discharge resistor

Terminal form Terminal

Wiring protective cover

wiring

protectivecasing

CHF-1 EUH

1

1B

fig. 1

10

680KΩ

2

CHF-3EUH

3

1B

fig. 1

10

680KΩ

2

CHF-6EUH

6

2B

fig. 1

47

680KΩ

2

CHF-10EUH

10

2B

fig. 1

47

680KΩ

2

CHF-16EUH

16

3B

fig. 1

47

560KΩ

2/3

CH-PF1

CHF-20EUH

20

3B

fig. 1

47

560KΩ

2/3

CH-PF1

CHF-25EUH

25

3B

fig. 1

47

560KΩ

2/3

CH-PF1

CHF-30EUH

30

4B

fig. 1

47

560KΩ

2/3

CH-PF1

CHF-35EUH

35

4B

fig. 1

47

560KΩ

2/3

CH-PF1

CHF-50EUH

50

5B

fig. 1

47

560KΩ

2/3

CH-PF1

CHF-60EUH

60

5B

fig. 1

47

560KΩ

3

CH-PF1

CHF-80EUH

80

5B

fig. 1

47

560KΩ

3

CH-PF1

Terminal form code: 2-lead type, 3-bolt type


Previous: 
Next: 
Our company provides good and stable product quality, reasonable product prices, the best technical services, and timely delivery services. We hope to develop together with you in the new century.

Quick Links

Contact Us

E-mail : austin_wang@chunheelectric.com
Address: Building 15, Xingshang Zhizaogu, No. 299 Liantang Avenue, Shanghu Town, Changshu City
Manager Wang: +86-13962180320
Manager Guo: +86-13913594162
QQ: 576862618
Copyright © 2022 Suzhou Chunhe Electrical Technology Co., Ltd. 苏ICP备2022031984 Technical Support: Leadong.com I Sitemap